Flanges
- Slip On Flanges
- Forged Flanges
- Reducing Flanges
- Blind Flanges
- Square Flanges
- Spectacle Blind Flanges
- High Hub blind Flanges
- Orifice Flanges
- Screwed Flanges
- Socket Weld Flanges
- Ring Type Joint Flanges
- Weld Neck Flanges
- Threaded Flanges
- Lap joint Flanges
- Expander Flanges
- Weld Neck Flanges Series A or B
- Groove & Tongue Flanges
- Flange Facing Type & Finish
- Weldo Flange
- Swivel Flange
- Long Weld Neck Flange
- Spade Flange
- Spacer Flange
- Figure 8 Flange
- Anchor Flanges
WE EXPORT TO
Manufacturer, exporter & suppliers of ASME/ANSI B16.5 Carbon Steel Screwed Flanges, Stainless Steel Screwed Flanges, Alloy Steel Screwed Flanges, ASTM A105/A105N, A350 LF1, LF2 CL1/CL2, LF3 CL1/CL2, A694 F42, F46, F48, F50, F52, F56, F60, F65, F70, A516.60, 65, 70 , Steel RST37.2, C22.8 In India
Stainless Steel Flanges Manufacturer Of A105 Flanges Supplier, Carbon Steel Flanges, Stainless Steel 304L Flanges, Stainless Steel 316L Flanges, Alloy Steel Flanges, A350 LF2 Flanges, Stainless Steel 904L Flanges, Large Diameter Flanges, Weld Neck Flanges, Socket Weld Flanges, Lap Joint Flanges, Pipe Flanges, Screwed Flanges Exporter, Blockodised Finish Flanges, Hot Dip Gavlvanised Flanges, Threaded Flanges, Chrome Moly Flanges Exporter in India, ANSI Flanges, ASME Flanges, DIN Standard Flanges Exporter, Forged Rings, Forged Circles Exporter in India.
Sarda Pipes & Fittings is one of the largest Exporters, Manufacturers and suppliers of Flanges in India. We offer an extensive range of Flanges to our esteemed clients and are available at reasonable prices. While manufacturing these Flanges, our experts make use of advanced technology along with high-grade of raw material in it.
Sarda Pipes & Fittings is one of the leading Screwed Flanges manufacturers and supplier in India, we are manufacturer of Screwed Flanges in various types of carbon steel, alloy steel, stainless steel and duplex steel flanges as per customer recognised material standard (ASME/ANSI/DIN). The flanges are also manufactured as per customer specific requirements/drawings.
We specialise in manufacturing a comprehensive range of carbon steel flanges, alloy steel flanges and stainless steel flanges from ½”NB to 48”NB. Steel flanges are widely used as connectors in piping systems to connect pipes to pipes, tees, reducers, elbows, valves and other piping equipments.
Lowest Price In India Of Screwed Flanges. A105 Screwed Flanges, A182 Screwed Flanges As Per Asme / Ansi B16.5 Screwed Flanges, Ansi B16.47 Screwed Flanges, 304 Screwed Flanges, 316 Screwed Flanges, Din Screwed Flanges, Jis Screwed Flanges & Uni Screwed Flanges Standards.High Quality Orifice Flange Like Class 150 Screwed Flanges, Class 300 Screwed Flanges, Class 600 Screwed Flanges, Class 900 Screwed Flanges, Class 1500 Screwed Flanges & Class 2500 Screwed Flanges Suppliers In India
![]() |
![]() |
SCREWED FLANGES Specification:
Standard - ANSI/ASME : ANSI B16.5, ANSI B16.47, MSS SP44, ANSI B16.36, ANSI B16.48
DIN : DIN2527, DIN2566, DIN2573, DIN2576, DIN2641, DIN2642, DIN2655, DIN2656, DIN2627, DIN2628, DIN2629, DIN 2631, DIN2632, DIN2633, DIN2634, DIN2635, DIN2636, DIN2637, DIN2638, DIN2673
B.S : BS4504, BS4504, BS1560, BS10
Size : 1/2" (15 NB) to 48" (1200NB)
Class : 150 LBS, 300 LBS, 600 LBS, 900 LBS, 1500 LBS, 2500 LBS, DIN Standard ND-6,10, 16, 25, 40 Etc.
Specialize :As per drawing
SCREWED FLANGES MATERIAL & GRADES :
Stainless Steel Screwed Flanges : ASTM A182, A240 F 304, 304L, 304H, 316, 316L, 316Ti, 310, 310S, 321, 321H, 317, 347, 347H, 904L
Carbon Steel Screwed Flanges : ASTM / ASME A/SA 105 ASTM / ASME A 350 , ASTM A 181 LF 2 / A516 Gr.70 A36, A694 F42, F46, F52, F60, F65, F70
Alloy Steel Screwed Flanges : ASTM / ASME A/SA 182 & A 387 F1, F5, F9, F11, F12, F22, F91
Duplex Steel Screwed Flanges : ASTM / ASME A/SA 182 F 44, F 45, F51, F 53, F 55, F 60, F 61
Super Duplex Screwed Flanges : ASTM / ASME A/SA 182, A240 F 44, F 45, F51, F 53, F 55, F 60, F 61
Nickel Alloy Screwed Flanges : Nickel 200 (UNS No. N02200), Nickel 201 (UNS No. N02201), Monel 400 (UNS No. N04400), Monel 500 (UNS No. N05500), Inconel 625 (UNS No. N08800), Inconel 825 (UNS No. N08825), Inconel 600 (UNS No. N06600), Inconel 625 (UNS No. N06625), Inconel 601 (UNS No. N06601), Hastelloy C 276 (UNS No. N10276), Alloy 20 (UNS No. N08020), Titanium (Grade I & II)
Copper Alloy Screwed Flanges : UNS No. C10100, 10200, 10300, 10800, 12000, 12200, 70600, 71500, UNS No. C 70600 (Cu -Ni- 90/10), C 71500 (Cu-Ni-70/30)
Low Temperature Carbon Steel Screwed Flanges : ASTM A350, LF2, LF3
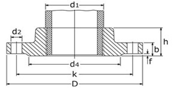
SCREWED FLANGES DIMENSIONS :

Screwed Flanges Price
- Titanium 6 inch pipe orifice flange
US $15-120 / Piece - ASTM B16.5 titanium orifice flange
US $10-135 / Piece - A105 carbon steel UNI standard Slip on orifice flange
US $0.2-2000 / Piece - API orifice flange with high quality
US $3.3-230 / Piece - ANSI B16.36 Forged Steel Screwed Flanges Class 300 to 2500
US $1.06-3.71 / Kilogram - Carbon Steel ASME/ANSI B16.5 A105 Class150 Orifice Flange
US $1-50 / Piece - High pressure orifice exhaust flange
US $8.2-9.0 / Units - orifice plate jis standard flange
US $1-100 / Piece - blind plate orifice flange
US $0.15-10 / Piece - Forged Stainless Steel Screwed Flanges
US $0.9-15 / Kilogram - ANSI JIS DIN KS GB standard flange jis standard orifice flange
US $1-500 / Piece - Orifice JIS DIN steel flange
US $5-200 / Piece - burly asme b16.5 orifice flange
US $0.15-10 / Piece - inox orifice flange
US $0.5-500 / Piece - Stainless steel orifice flange
US $0.1-10 / Piece - Class 300 Screwed Flanges
US $1500-1600 / Ton - PN6,PN10,PN16,PN20,PN25,PN40 stainless steel orifice flange
US $1-10 / Piece - socket welding orifice flange
US $0.1-10 / Set - ANSI,ASME,JIS customize stainless steel asme b16.35 orifice flange
US $15-900 / Piece - Hot Quality Low Price High Technology Class 600Lb Forged Orifice Flange
US $3.5-3.9 / Piece
| Great offers valid on below stock: | ||||
|---|---|---|---|---|
|
|
|
||
We are having our sub dealers & distributor with adequate stock of Stainless Steel Buttweld Fittings in India, United States, UK, Italy, Canada, UAE, Iran, South Korea, Indonesia, Saudi Arabia, Germany, Malaysia, Thailand, Venezuela, Spain, Mexico, Turkey, Poland, France, Australia, Singapore, Brazil, Netherlands, Russia, Vietnam, Colombia, Bangladesh, South Africa, Russia, Vietnam, Oman, Austria, Philippines, Qatar, Chile, China, Belgium, Zambia, Romania, China, Japan, Myanmar, Taiwan, Jordan, China, Japan, Sri Lanka, Maldives, Bangladesh, Myanmar, Taiwan, Cambodia, Malta, Italy, United Kingdom (Uk), Spain, Ukraine, Netherland, The Republic Of Congo, Argentina, Bolivia, Brazil, Chile, Venezuela, Colombia, Ecuador, Guyana, Paraguay, Israel, Czechia, Albania, Australia, Perth, Tanzania, Finland, Belgium, Greece, Czech Republic, Ireland, Croatia, Slovenia, Equatorial Guinea, United States Of America, Canada, Mexico, Panama, Costa Rica, Puerto Rica, Trinidad And Tobago, Jamaica, Bahamas, Denmark, Switzerland, Slovakia, Tunisia, Nigeria, Algeria, Angola, South Africa, Libya, Gabon, Philippines & Sudan for quick delivery of Stainless Steel Buttweld Fittings with mill certificate & all required documents.
We offer fastest delivery of Stainless Steel Buttweld Fittings in Mumbai, Lucknow, Coimbatore, Imphal, Mysore, Ratlam, Delhi, Kanpur, Darjeeling, Jalandhar, Nagpur, Solapur, Kolkata, Allahabad, Dehradun, Jammu, Nashik, Srinagar, Chennai, Ahmedabad, Faridabad, Jamshedpur, Bhadravati, Chattisgarh, Durgapur, Asansol, Hospet, Bellary, Visakhapatnam, Nellore, Surat, Bangalore, Chandigarh, Ghaziabad, Jhansi, Patna, Siliguri, Hyderabad, Amritsar, Noida, Kochi, Pune, Thiruvanthapuram, Jaipur, Aizawl, Guwahati, Kozhikode, Raipur, Vishakhapatnam, Jabalpur, Bhopal, Gwalior, Ludhiana, Rajahmundry, Thane, Agra, Bhubaneshwar, Gurgaon, Madurai, Rajkot, Varanasi, Bhilai, Haridwar, Meerut, Ranchi, Ahmednagar, Akola, Amravati, Aurangabad, Baramati, Beed, Bhandara, Bhiwandi, Buldhana, Chandrapur, Chimur, Dahanu, Dhule, Dindori, Erandol, Gadchiroli, Hatkanangle, Hingoli, Ichalkaranji, Jalgaon, Jalna, Salem, Karad, Khed, Yavatmal, Kolaba, Kolhapur, Kopargaon, Latur, Malegaon, Mumbai, Nagpur, Nanded, Nandurbar, Nashik, Osmanabad, Pandharpur, Parbhani, Pune, Rajapur, Ramtek, Ratnagiri, Raver, Sangli, Satara, Shirdi, Shirur, Solapur, Thane, Wardha, Washim, Andhra Pradesh, Jammu and Kashmir, Nagaland, Uttarakhand, Haryana, Lakshadweep, Arunachal Pradesh, Jharkhand, Odisha, West Bengal, Himachal Pradesh, Assam, Karnataka, Punjab, Andaman and Nicobar Islands, Puducherry, Bihar, Kerala, Rajasthan, Chandigarh, Meghalaya, Chhattisgarh, Madhya Pradesh, Sikkim, Dadar and Nagar Haveli, Mizoram, Goa, Maharashtra, Tamil Nadu, Daman and Diu, Tripura, Gujarat, Manipur, Telangana, Delhi and Uttar Pradesh in India.


