Stainless Steel Spectacle Blind Flanges manufacturers / Carbon Steel Spectacle Blind Flanges suppliers / alloy steel Spectacle Blind Flanges exporters in India

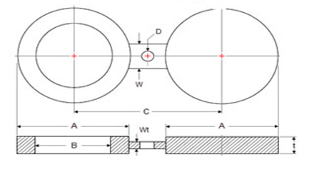
ASME/ANSI B16.5 carbon steel Spectacle Blind Flanges, stainless steel Spectacle Blind Flanges, alloy steel Spectacle Blind Flanges, ASTM A105/A105N, A350 LF1, LF2 CL1/CL2, LF3 CL1/CL2, A694 F42, F46, F48, F50, F52, F56, F60, F65, F70, A516.60, 65, 70 , Steel RST37.2, C22.8 Reducing Flanges Manufacturer, exporter & supplier in india